Kursiniai darbai

Radijo imtuvų skaičiavimai

10   (1 atsiliepimai)
Radijo imtuvų skaičiavimai 1 puslapis
Radijo imtuvų skaičiavimai 2 puslapis
Radijo imtuvų skaičiavimai 3 puslapis
Radijo imtuvų skaičiavimai 4 puslapis
Radijo imtuvų skaičiavimai 5 puslapis
Radijo imtuvų skaičiavimai 6 puslapis
Radijo imtuvų skaičiavimai 7 puslapis
Radijo imtuvų skaičiavimai 8 puslapis
Radijo imtuvų skaičiavimai 9 puslapis
Radijo imtuvų skaičiavimai 10 puslapis
Radijo imtuvų skaičiavimai 11 puslapis
Radijo imtuvų skaičiavimai 12 puslapis
Radijo imtuvų skaičiavimai 13 puslapis
Radijo imtuvų skaičiavimai 14 puslapis
Radijo imtuvų skaičiavimai 15 puslapis
Radijo imtuvų skaičiavimai 16 puslapis
Radijo imtuvų skaičiavimai 17 puslapis
Radijo imtuvų skaičiavimai 18 puslapis
Radijo imtuvų skaičiavimai 19 puslapis
Radijo imtuvų skaičiavimai 20 puslapis
www.nemoku.lt
www.nemoku.lt
Aukščiau pateiktos peržiūros nuotraukos yra sumažintos kokybės. Norėdami matyti visą darbą, spustelkite peržiūrėti darbą.
Ištrauka

 Anotacija lietuvių ir anglų kalbomis Šis kursinis darbas yra skirtas radijo imtuvų skaičiavimui. Kursinis darbas susideda iš aiškinamojo rašto ir grafinių darbų. Šiame darbe buvo atliktas parengtinis skaičiavimas, schemos parinkimas, elektrinis skaičiavimas ir skaičiavimų palyginimas su užduoties reikalavimais. Pagal skaičiavimus buvo sudaryta sandaros schema, o po to ir elektrinė principinė schema. Pagal šį kursinį darbą galima gaminti radijo imtuvus, kurie priima signalus vidutinių bangų diapazone. The purpose of this course activity to project a wireless the receiver. The course activity consists of an explanatory and graphic part. In this activity were conducted: the preparatory final pays, selection of the scheme, electrical final pays and confrontation of the received outcomes to the data of the representation. Allowing the final pays the skeleton diagram, and then and electrical circuit was constituted. This course activity solves to effect radio receivers, which one work in mid-wave band. 1. Įvadas. Darbo tikslai Radiotechnika sprendžia radiofonijos, radijo ryšio, televizijos, radionavigacijos, bei ryšių sistemų klausimus. Nuolat atsirandant naujoms technologijoms ši technika tampa vis tobulesnė, gaminama vis mažesnių gabaritų bei geresnių parametrų ir charakteristikų. Be to, radiotechnika dar plačiai pritaikoma pramonėje, įvairiose mokslo šakose, matavimų technikoje, bei medicinoje. Kad būtų galima perduoti naudingus signalus per atstumą be laidų, siunčiamajame įrenginyje juos reikia moduliuoti. Moduliacija vadinamas toks procesas, kai informacijos signalai veikia aukšto dažnio virpesius ir pakeičia jų amplitudę, dažnį arba fazę. Aukšto dažnio moduliuotus virpesius spinduliuoja siųstuvo antena elektromagnetinėmis bangomis, kurios sklinda erdvėje šviesos greičiu. Priėmimo vietoje elektromagnetinių bangų energija patenka į imtuvo anteną, o šios į radijo imtuvo įėjimą. Radijo imtuve iš priimto aukšto dažnio moduliuoto signalo detektuojant išskiriamas informacinis signalas, jis sustiprinamas ir perduodamas į galinį aparatą. Radijo imtuvai turi sugebėti priimti palyginti silpnus signalus. Jie naudojami radijo ryšiui, radijo navigacijai, radijo valdymui ir taip toliau. Šiuo metu mes sėkmingai išnaudojame visus elektronikoje padarytus išradimus.Šis kursinis darbas yra skirtas tam, kad galima būtų susipažinti su radijo imtuvų skaičiavimo pagrindais. Pagrindinė šio kursinio darbo prasmė - išmokti suprojektuoti ir pagaminti radijo imtuvą pagal užduotus parametrus. 2. Projekte naudotų informacijos šaltinių apžvalga Šiame kursiniam darbe aš naudojausi šiais informacijos šaltiniais: 1982.L.Mickunienės ,,Radijo imtuvų kursinio projektavimo ir skaičiavimo metodika“.Jų tikslas padėti kursinio projektavimo metu pagrįstai parinkti ir apskaičiuoti modulioutusios amplitudės imtuvo schemą arba jos dalį, pritaikant šiuolaikinės radioelektronikos pasiekimus. Šiuose leidiniuose pateikti nurodymai visiems imtuvo projektavimo etapams, tai yra parengtiniam ir galutiniam imtuvo ir jo pakopų bei grandinių skaičiavimui su plačiai naudojamų schemų skaičiavimo pavyzdžiais.Čia taip pat yra rekomendacijų, kaip pasirinkti projektuojamam imtuvui tranzistorius ir integrinius grandinus. Bet buvo labai sunku susigaudyti kas kur, nes nera viskas visiškai aiškiai parasyta, pavyzdžiui-ADS pakopų ksaičiaus nustatyme neraaiškiai yvardinta kaip tas skaičius randamas. Dar parodoma kaip apskaičiuoti imtuvo projektavimui būtinus tranzistorių parametrus, kurių trūksta žinynuose.Didžiausias dėmesys čia kreipiamas į šiuolaikinių mikroelektronikos pasiekimų pritaikymą. 3. Parengtinis imtuvo skaičiavimas ir sandaros schemos sudarymas Parengtinis imtuvo skaičiavimas reikalingas tam, kad galima būtų sudaryti imtuvo principinę schemą, o po to ir elektrinę principinę schemą. Svarbiausia šioje dalyje gerai paskaičiuoti reikiamus parametrus kurie bus naudojami ir nuo jų priklausys viso imtuvo parametrai. 3.1. Radijo dažnio trakto selektyviosios sistemos parametrų skaičiavimas Radijo dažnio trakto (RDT) selektyvinė sistema užtikrina 2 sąlygos : 1. Užtikrintas selektyvumas veidrodinio signalo atžvilgiu Sev. 2. Pralaidumo juosta būtų ne siauresnė kaip 2Frdt. Imtuvo selektyvumą veidrodinio kanalo atžvilgiu ir formuoja bendrą rezonansų charakteristiką. RDT selektyvinės sistemos parametrai yra kontūrų skaičius ir jų kokybė Qe. Šie parametrai nustatomi naudojantis selektyvumu veidrodinio kanalo atžvilgiu Sev ir pralaidumo juosta 2Frdt. RDT kontūrų kokybė skaičiuojama taip, kad vienu metu būtų patenkinamos RDT priimame vieną kontūrą n = 1. Atsižvelgiant į šias sąlygas kontūro kokybė, prie kurios yra užtikrinamas selektyvumas veidrodinio kanalo atžvilgiu yra : Pradžioje galime priimti kad RDT yra vienkontūrė įėjimo grandinė n=1 : Toliau apskaičiuojame kontūro kokybe Qej kuri užtikrina reikiamą pralaidumo juostą: Mk – dažnių kontūro iškraipymo koeficentas. Mk = 0,7 Radijo dažnio pralaidumo juosta 2Frdt turi būti platesnė už duotąją imtuvo pralaidumo juostą 2F: Fsp – leistina kontūrų sutapdinimo paklaida,. Pasirenkame Fsp = 2kHz,nes tai yra leistina ilgųjų bangų diapazone (1-5)kHz Galima heterodino dažnio nuokrypa lygi(0.5-1) Qe reikšmę nustatome iš sąlygos : Qe parenkame kiek artimesne Qev=26 , Patikriname selektyvumą veidrodinio kanalo atžvilgiu esant aukščiausiam ir žemiausiam dažniui panaudojant formules: Sev max = 36,2dB Sev min = 44dB Apskaičiavus selektyvumą veidrodinės stoties atžvilgu prie aukščiausio ir žemiausio dažnių, galima teigti, kad sąlyga yra išpildyta, nes apskaičiuotas selektyvumas yra didesnis už nurodytą užduotyje. Šiais apskaičiuotais selektyvinės sistemos parametrais galima rasti radijo dažnio trakto selektyvumą gretimojo kanalo atžvilgių SegRDT ir praktiškai sukeliamus dažninius iškreipimus MRDT, esant duotai imtuvo pralaidumo juostai 2F: SegsRDT = 9,5 Apskaičiuojami įėjimo grandinės kontūro sukeliami dažniniai iškraipymai MSDT, esant pralaidumo juostai 2∆Fs: MSDT = 2,25dB Paskaičiavus SegRDT galima pastebėti, kad apskaičiuotas selektyvumas yra labai mažas. Tokiu atveju ši selektyvumą reiktu skaičiuoti tarpinio dažnio trakte tam, kad užtikrinti reikiamą selektyvumą Seg. Toliau galima patikrinti selektyvumą esant tarpiniam dažniui ft=465kHz: Set = 15,8dB Ši gauta reikšmė yra mažesnė, negu nurodyta užduotyje Set=28, o tai reiškia, kad sąlyga yra nepatenkinama ir įėjimo grandinė neužtikrina selektyvumą tarpinės stoties atžvilgiu, todėl reikia įjungti tarpinio dažnio filtrą. Vieno kontūro filtras nuslopina trugdantį signalą 20-25 kartus (26-28)dB Setf=Set+Sef=15,8+26=41,8dB Dabar gauta reikšmė yra didesnė, negu nurodyta užduotyje Set=28dB, o tai reiškia, kad užtikrintas selektyvumas tarpinės stoties atžvilgiu. 3.2. Tarpinio dažnio trakto selektyviosios sistemos parinkimas Tarpinio dažnio trakto selektyvioji sistema nulemia imtuvo selektyvumą gretutinio kanalo atžvilgiu. Selektyvumas Seg(sk) yra parenkamas su (15-25)% atsarga dėl sąsajos netikėtumo įtakos taip pat įvertinamas SegRDT. 1.Tarpinis dažnis ft=465kHz 2.Selektyvumas gretutinio kanalo atžvilgiu Seg(sk)=40,2dB

Daugiau informacijos...

Šį darbą sudaro 2352 žodžiai, tikrai rasi tai, ko ieškai!

Turinys
  • Anotacija lietuvių ir anglų kalbomis 4
  • 1. Įvadas. Darbo tikslai 5
  • 2. Projekte naudotų informacijos šaltinių apžvalga 6
  • 3. Parengtinis imtuvo skaičiavimas ir sandaros schemos sudarymas 7
  • 3.1. Radijo dažnio trakto selektyviosios sistemos parametrų skaičiavimas 7
  • 3.2. Tarpinio dažnio trakto selektyviosios sistemos parinkimas 11
  • 3.3. Imtuvo aukšto dažnio trakto pakopų skaičiaus nustatymas 12
  • 3.4 ASR schemos parinkimas 12
  • 3.5 Garsinio dažnio trakto schemos su integriniais grandynais parinkimas ir pagrindimas 13
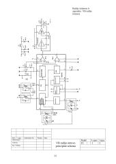
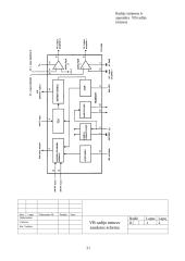
  • 3.6 Imtuvo sandaros schemos sudarymas 14
  • 4. Imtuvo pakopų schemų parinkimas ir principinės schemos sudarymas 15
  • 5. Elektrinės schemos pakopų skaičiavimas 16
  • 5.1 Įėjimo grandinės skaičiavimas 16
  • 6. Darbo rezultatai ir jų aptarimas. Išvados 18
  • 7. Informacijos šaltiniai 19
  • Grafinė dalis 20

★ Klientai rekomenduoja


Šį rašto darbą rekomenduoja mūsų klientai. Ką tai reiškia?

Mūsų svetainėje pateikiama dešimtys tūkstančių skirtingų rašto darbų, kuriuos įkėlė daugybė moksleivių ir studentų su skirtingais gabumais. Būtent šis rašto darbas yra patikrintas specialistų ir rekomenduojamas kitų klientų, kurie po atsisiuntimo įvertino šį mokslo darbą teigiamai. Todėl galite būti tikri, kad šis pasirinkimas geriausias!

Detali informacija
Darbo tipas
Šaltiniai
✅ Šaltiniai yra
Failo tipas
Word failas (.doc)
Apimtis
22 psl., (2352 ž.)
Darbo duomenys
  • Elektronikos kursinis darbas
  • 22 psl., (2352 ž.)
  • Word failas 480 KB
  • Lygis: Universitetinis
  • ✅ Yra šaltiniai
www.nemoku.lt Atsisiųsti šį kursinį darbą
Privalumai
Pakeitimo garantija Darbo pakeitimo garantija

Atsisiuntei rašto darbą ir neradai jame reikalingos informacijos? Pakeisime jį kitu nemokamai.

Sutaupyk 25% pirkdamas daugiau Gauk 25% nuolaidą

Pirkdamas daugiau nei vieną darbą, nuo sekančių darbų gausi 25% nuolaidą.

Greitas aptarnavimas Greitas aptarnavimas

Išsirink norimus rašto darbus ir gauk juos akimirksniu po sėkmingo apmokėjimo!

Atsiliepimai
www.nemoku.lt
Dainius Studentas
Naudojuosi nuo pirmo kurso ir visad randu tai, ko reikia. O ypač smagu, kad įdėjęs darbą gaunu bet kurį nemokamai. Geras puslapis.
www.nemoku.lt
Aurimas Studentas
Puiki svetainė, refleksija pilnai pateisino visus lūkesčius.
www.nemoku.lt
Greta Moksleivė
Pirkau rašto darbą, viskas gerai.
www.nemoku.lt
Skaistė Studentė
Užmačiau šią svetainę kursiokės kompiuteryje. :D Ką galiu pasakyti, iš kitur ir nebesisiunčiu, kai čia yra viskas ko reikia.
Palaukite! Šį darbą galite atsisiųsti visiškai NEMOKAMAI! Įkelkite bet kokį savo turimą mokslo darbą ir už kiekvieną įkeltą darbą būsite apdovanoti - gausite dovanų kodus, skirtus nemokamai parsisiųsti jums reikalingus rašto darbus.
Vilkti dokumentus čia:

.doc, .docx, .pdf, .ppt, .pptx, .odt