Kursiniai darbai

Keturių bitų sumatorius — atėmiklis

10   (1 atsiliepimai)
Keturių bitų sumatorius — atėmiklis 1 puslapis
Keturių bitų sumatorius — atėmiklis 2 puslapis
Keturių bitų sumatorius — atėmiklis 3 puslapis
Keturių bitų sumatorius — atėmiklis 4 puslapis
Keturių bitų sumatorius — atėmiklis 5 puslapis
Keturių bitų sumatorius — atėmiklis 6 puslapis
Keturių bitų sumatorius — atėmiklis 7 puslapis
Keturių bitų sumatorius — atėmiklis 8 puslapis
Keturių bitų sumatorius — atėmiklis 9 puslapis
Keturių bitų sumatorius — atėmiklis 10 puslapis
Keturių bitų sumatorius — atėmiklis 11 puslapis
Keturių bitų sumatorius — atėmiklis 12 puslapis
Keturių bitų sumatorius — atėmiklis 13 puslapis
www.nemoku.lt
www.nemoku.lt
Aukščiau pateiktos peržiūros nuotraukos yra sumažintos kokybės. Norėdami matyti visą darbą, spustelkite peržiūrėti darbą.
Ištrauka

Dvejetainis sumatorius tai skaitmeninis įtaisas skirtas dvejetainių skaičių aritmetinei sudėčiai. Taip pat, dažnai šie įtaisai gali atlikti ir kitas operacijas, tokias kaip atimties, daugybos, ar dalybos. Kursinio darbo tikslas sumodeliuoti dvejetaini keturių bitų sumatorių — atėmiklį Multisim aplinkoje, o gautus rezultatus pateikti MS Word formate.
Šiame kursiniame darbe aprašiau ir pristačiau keturių bitų sumatorių — atėmiklį, jo kiekvienos pakopos modeliavimo rezultatus su veikimo aprašymu.
• Panaudotų skaitmeninių grandynų informacija
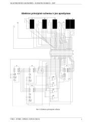
• Elektros principinė schema ir jos aprašymas
Trumpas schemos aptarimas
Visą schemą sudaro A ir B skaitmenų formavimo modulis, jame skaičius suformuojamas S1 mygtuku. Jame suformuotas skaičius yra įrašomas į A arba B modulį kur jis užfiksuojamas perjunginėjant jungiklius S2 ir S3. Atitinkamai A jungiklis skaičių įrašo į A modulį, o B mygtukas skaičių įrašo į B modulį. Įrašyti skaičiai A ir B moduliuose yra sumuojami arba iš skaičiaus A yra atimamas skaičius B, sudėties ar atimties režimą nustatom perjungimo mygtuku S4. Galutinis rezultatas gaunamas dviejuose indikatoriuose.
Sandaros schema
Pav 1. Sandaros schema
(Pav. 1) pavaizduota dvejetainio 4 bitų sumatoriaus - atėmiklio sandaros schema. Įtaisas gali atlikti sudėties ir atimties veiksmus. Skaičiai A ir B sudaromi formavimo modulyje jungiklio S1 pagalba. Jungiklių S2 ir S3 pagalba, suformuotas skaičius, fiksuojamas viename iš dviejų fiksavimo modulių, priklausomai nuo įjungto jungiklio. Iš A fiksavimo modulio skaičius perduodamas į sumatorių, o iš B fiksavimo modulio skaičius į sumatorių perduodamas per +/- perjungimo modulį, šis modulis tai jungiklis kurio pagalba pasirenkame kokią operaciją norėsime atlikti – sudėties arba atimties. Sumatorius gavęs A ir B skaičius atlieka sudėties arba atimties operaciją ir gautą rezultatą perduoda indikacijos moduliui, kuriame šešioliktainėje skaičių sistemoje matome atliktą aritmetinio veiksmo atsakymą.
Elektros - principinės schemos modeliavimo rezultatai
Pav. 2 Elektros – principine schema
Skaitiklio modeliavimas
Sumodeliuotas skaitiklis naudojant integrinį grandyną 74LS161. Nuo šio grandyno pajungimo būdo skiriasi jo atliekama operacija. Kad veiktų kaip skaitiklis prie įėjimų ENP, ENT, LOAD (set), CLR (reset) paduodama loginis...

Daugiau informacijos...

Šį darbą sudaro 1121 žodžiai, tikrai rasi tai, ko ieškai!

Turinys
  • Įvadas. Užduoties analizė 2
  • Sandaros schema 3
  • Elektros - principinės schemos modeliavimo rezultatai 4
  • Skaitiklio modeliavimas 4
  • Skaitiklio ir registro modeliavimas 5
  • Skaitikio, registro ir XOR modeliavimas 6
  • Skaitiklio registro XOR sumatoriaus modeliavimas 7
  • Informacija apie panaudotus skaitmeninius integrinius grandynus 8
  • Skaitiklis 8
  • Registrai 8
  • XOR elementai 9
  • Sumatorius 9
  • Elektros principinė schema ir jos aprašymas 10
  • Išvados 12

★ Klientai rekomenduoja


Šį rašto darbą rekomenduoja mūsų klientai. Ką tai reiškia?

Mūsų svetainėje pateikiama dešimtys tūkstančių skirtingų rašto darbų, kuriuos įkėlė daugybė moksleivių ir studentų su skirtingais gabumais. Būtent šis rašto darbas yra patikrintas specialistų ir rekomenduojamas kitų klientų, kurie po atsisiuntimo įvertino šį mokslo darbą teigiamai. Todėl galite būti tikri, kad šis pasirinkimas geriausias!

Detali informacija
Darbo tipas
Lygis
Universitetinis
Failo tipas
Word failas (.doc)
Apimtis
13 psl., (1121 ž.)
Darbo duomenys
  • Elektronikos kursinis darbas
  • 13 psl., (1121 ž.)
  • Word failas 140 KB
  • Lygis: Universitetinis
www.nemoku.lt Atsisiųsti šį kursinį darbą
Privalumai
Pakeitimo garantija Darbo pakeitimo garantija

Atsisiuntei rašto darbą ir neradai jame reikalingos informacijos? Pakeisime jį kitu nemokamai.

Sutaupyk 25% pirkdamas daugiau Gauk 25% nuolaidą

Pirkdamas daugiau nei vieną darbą, nuo sekančių darbų gausi 25% nuolaidą.

Greitas aptarnavimas Greitas aptarnavimas

Išsirink norimus rašto darbus ir gauk juos akimirksniu po sėkmingo apmokėjimo!

Atsiliepimai
www.nemoku.lt
Dainius Studentas
Naudojuosi nuo pirmo kurso ir visad randu tai, ko reikia. O ypač smagu, kad įdėjęs darbą gaunu bet kurį nemokamai. Geras puslapis.
www.nemoku.lt
Aurimas Studentas
Puiki svetainė, refleksija pilnai pateisino visus lūkesčius.
www.nemoku.lt
Greta Moksleivė
Pirkau rašto darbą, viskas gerai.
www.nemoku.lt
Skaistė Studentė
Užmačiau šią svetainę kursiokės kompiuteryje. :D Ką galiu pasakyti, iš kitur ir nebesisiunčiu, kai čia yra viskas ko reikia.
Palaukite! Šį darbą galite atsisiųsti visiškai NEMOKAMAI! Įkelkite bet kokį savo turimą mokslo darbą ir už kiekvieną įkeltą darbą būsite apdovanoti - gausite dovanų kodus, skirtus nemokamai parsisiųsti jums reikalingus rašto darbus.
Vilkti dokumentus čia:

.doc, .docx, .pdf, .ppt, .pptx, .odt