Kursiniai darbai

Dvejetainis 4 bitų sumatorius-atėmiklis

10   (1 atsiliepimai)
Dvejetainis 4 bitų sumatorius-atėmiklis 1 puslapis
Dvejetainis 4 bitų sumatorius-atėmiklis 2 puslapis
Dvejetainis 4 bitų sumatorius-atėmiklis 3 puslapis
Dvejetainis 4 bitų sumatorius-atėmiklis 4 puslapis
Dvejetainis 4 bitų sumatorius-atėmiklis 5 puslapis
Dvejetainis 4 bitų sumatorius-atėmiklis 6 puslapis
Dvejetainis 4 bitų sumatorius-atėmiklis 7 puslapis
Dvejetainis 4 bitų sumatorius-atėmiklis 8 puslapis
Dvejetainis 4 bitų sumatorius-atėmiklis 9 puslapis
Dvejetainis 4 bitų sumatorius-atėmiklis 10 puslapis
Dvejetainis 4 bitų sumatorius-atėmiklis 11 puslapis
Dvejetainis 4 bitų sumatorius-atėmiklis 12 puslapis
Dvejetainis 4 bitų sumatorius-atėmiklis 13 puslapis
Dvejetainis 4 bitų sumatorius-atėmiklis 14 puslapis
Dvejetainis 4 bitų sumatorius-atėmiklis 15 puslapis
Dvejetainis 4 bitų sumatorius-atėmiklis 16 puslapis
Dvejetainis 4 bitų sumatorius-atėmiklis 17 puslapis
www.nemoku.lt
www.nemoku.lt
Aukščiau pateiktos peržiūros nuotraukos yra sumažintos kokybės. Norėdami matyti visą darbą, spustelkite peržiūrėti darbą.
Ištrauka

2005
Anotacija
Tai yra baigiamasis skaitmeninių grandynų kurso darbas . Jame mes sukūrėme ir patikrinome keturių bitų sumatorių-atėmiklį. Sandaros schema turi šešis blokus. Ši schema sudeda ir atima skaičius šešioliktainėje sistemoje. Darbe yra virtuali schema EWB programoje, kuri yra su indikatoriais taigi jus galite matyti kaip schema skaičiuoja.
Annotation
It is final work of digital schemes course. In this work We created and tested binary 4 bits adder-subs tractor. Main scheme has six blocks. This scheme adds and subtracts numbers in hexadecimal system. There is are virtual scheme which works good and has indicators so you can see how it counts.
1. ĮVADAS, UŽDUOTIES ANALIZĖ.
Šiais mokslo informacijos laikais praktiškai viskas yra susieta su elektronika. O dabar vis labiau plinta skaitmeninė eletronika, todėl kad ji daug tikslesnė už analoginę, užima mažesnę vietos dalį ir jau prakiškai pigesnė arba apytiksliai vienoda kaina. Elektronikos labiausiai išsivystė ten kur daug finansuojama, arba didelė paklausa.
Šis kursinis darbas skirtas užbaigti skaitmeninių grandinių paskaitų ciklą. Skaitmeniniai grandinai užima labai svarbią vietą elektronikoje. Tobulėjant technikai tobulėja ir signalo apdorojimo būdai, o tai reiškia, kad visi apdorojimo procesai turi būti labai greiti ir tikslus. Taip yra todėl, kad visi gamybiniai procesai yra valdomi kompiuterinėmis sistemomis (mikrovaldiklių technologijos).
Šio darbo tikslas pagal prietaiso principinės elektros schemos eskizą sumodeliuoti dvejetainį sumatorių - atėmiklį naudojant XXXX IG seriją, pavaizduoti jo veikimą EWB programoje ir sudaryti veikiančio prietaiso elektros - principinę schemą.
Modeliavimas atliktas dviem etapais:
1) modeliuojama naudojant realius integrinius grandynus esančius EWB programoje. Modeliuojant pakopomis. Po kiekvienos pakopos trumpai aprašyta, laiko diagramos ir indikacijos ar matavimo prietaisai.
2) modeliuojant nurodytą skaitmeninę grandinę.
Kursiniame darbe pateikta:
1. prietaiso sandaros schema.
2. prietaiso elektros – principinė schema ACCEL programoje.
3. elementų sąrašas.
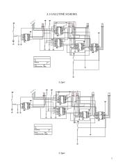
2. SANDAROS SCHEMA
2pav.
1pav. pavaizduota sandaros schema. Taigi prieš pradedant projektuoti elektroninį įtaisą turime žinoti prietaiso paskirtį ir parametrus. Vėliau sprendžiame kokią elementinę bazę pasirinkti. Turime nuspręsti kokie blokai turi sudaryti prietaisą, kam kiekvienas blokas skirtas...

Daugiau informacijos...

Šį darbą sudaro 1692 žodžiai, tikrai rasi tai, ko ieškai!

Turinys
  • Anotacija 2
  • 1. ĮVADAS, UŽDUOTIES ANALIZĖ. 3
  • 2. SANDAROS SCHEMA 4
  • 3. ELEKTRINĖS PRINCIPINĖS SCHEMOS MODELIAVIMAS 5
  • 3.1 GALUTINĖ SCHEMA 7
  • 4. INFORMACIJA APIE INTEGRINIUS GRANDYNUS 9
  • 4.1 SKAITMENINIS INTEGRINIS GRANDYNAS 4024 9
  • 4.2 SKAITMENINIS INTEGRINIS GRANDYNAS 4008 10
  • 4.3 SKAITMENINIS INTEGRINIS GRANDYNAS 4042 11
  • 4.4 SKAITMENINIS INTEGRINIS GRANDYNAS 4030 12
  • 5. ELEKTROS PRINCIPINĖ SCHEMA 13
  • 6. KOMPONENTŲ SĄRAŠAS 14
  • 7. IŠVADOS 15
  • 8. INFORMACIJOS ŠALTINIAI 16

★ Klientai rekomenduoja


Šį rašto darbą rekomenduoja mūsų klientai. Ką tai reiškia?

Mūsų svetainėje pateikiama dešimtys tūkstančių skirtingų rašto darbų, kuriuos įkėlė daugybė moksleivių ir studentų su skirtingais gabumais. Būtent šis rašto darbas yra patikrintas specialistų ir rekomenduojamas kitų klientų, kurie po atsisiuntimo įvertino šį mokslo darbą teigiamai. Todėl galite būti tikri, kad šis pasirinkimas geriausias!

Detali informacija
Darbo tipas
Lygis
Universitetinis
Failo tipas
Word failas (.doc)
Apimtis
17 psl., (1692 ž.)
Darbo duomenys
  • Elektronikos kursinis darbas
  • 17 psl., (1692 ž.)
  • Word failas 579 KB
  • Lygis: Universitetinis
www.nemoku.lt Atsisiųsti šį kursinį darbą
Privalumai
Pakeitimo garantija Darbo pakeitimo garantija

Atsisiuntei rašto darbą ir neradai jame reikalingos informacijos? Pakeisime jį kitu nemokamai.

Sutaupyk 25% pirkdamas daugiau Gauk 25% nuolaidą

Pirkdamas daugiau nei vieną darbą, nuo sekančių darbų gausi 25% nuolaidą.

Greitas aptarnavimas Greitas aptarnavimas

Išsirink norimus rašto darbus ir gauk juos akimirksniu po sėkmingo apmokėjimo!

Atsiliepimai
www.nemoku.lt
Dainius Studentas
Naudojuosi nuo pirmo kurso ir visad randu tai, ko reikia. O ypač smagu, kad įdėjęs darbą gaunu bet kurį nemokamai. Geras puslapis.
www.nemoku.lt
Aurimas Studentas
Puiki svetainė, refleksija pilnai pateisino visus lūkesčius.
www.nemoku.lt
Greta Moksleivė
Pirkau rašto darbą, viskas gerai.
www.nemoku.lt
Skaistė Studentė
Užmačiau šią svetainę kursiokės kompiuteryje. :D Ką galiu pasakyti, iš kitur ir nebesisiunčiu, kai čia yra viskas ko reikia.
Palaukite! Šį darbą galite atsisiųsti visiškai NEMOKAMAI! Įkelkite bet kokį savo turimą mokslo darbą ir už kiekvieną įkeltą darbą būsite apdovanoti - gausite dovanų kodus, skirtus nemokamai parsisiųsti jums reikalingus rašto darbus.
Vilkti dokumentus čia:

.doc, .docx, .pdf, .ppt, .pptx, .odt