Kursiniai darbai

Komutacinės sistemos valdymo įtaisas (KSVĮ)

10   (1 atsiliepimai)
Komutacinės sistemos valdymo įtaisas (KSVĮ) 1 puslapis
Komutacinės sistemos valdymo įtaisas (KSVĮ) 2 puslapis
Komutacinės sistemos valdymo įtaisas (KSVĮ) 3 puslapis
Komutacinės sistemos valdymo įtaisas (KSVĮ) 4 puslapis
Komutacinės sistemos valdymo įtaisas (KSVĮ) 5 puslapis
Komutacinės sistemos valdymo įtaisas (KSVĮ) 6 puslapis
www.nemoku.lt
www.nemoku.lt
Aukščiau pateiktos peržiūros nuotraukos yra sumažintos kokybės. Norėdami matyti visą darbą, spustelkite peržiūrėti darbą.
Ištrauka

Suprojektuoti komutacinės sistemos (KS) valdymo įtaisą (KSVĮ), įeinantį į komutacinio įtaiso sudėtį (1 pav.).
KĮ turi dvi grupes išorinių išvadų: įėjimus a0 – al ir išėjimus b0 – bp. Į įėjimus patenka paraiškos aptarnavimui, kurių skaičius gali kisti nuo 0 (paraiškų nėra) iki l+1 ( paraiškos atėjo į visus įėjimus).
Aptarnaudamas paraišką KĮ prijungia įėjimo liniją ai, kuria atėjo paraiška aptarnauti, prie laisvos išėjimo linijos bj, taip pat išduoda šaukiančiam abonentui tarnybinius signalus, lydinčius sujungimą.
2.3- Aptarnavimas be prioriteto su įėjimų būsenos korekcija. Naujai nuskaitome A žodį, po apklausiamas kitas (i+1)-asis įėjimas ir t.t. nepriklausomai nuo paskutiniojo l-tojo įėjimo apklausos rezultatų, naujai nuskaitomas A žodis, tęsiant apklausą nuo 0-linio įėjimo.
Sekančio laisvo IŠ paieška 4.4.
4.4- tolygus išėjimų apkrovimas su būsenų korekcija ir ciklo perstūmimu. Jeigu paskutinysis, p-tasis išėjimas užimtas, tarnybiniai signalai “laukti aptarnavimo” arba “aptarnavimo nebus” neišduodami, o tęsiama išėjimų apklausa, pradedant nuo 0-linio išėjimo. (apklausos pradžios perstūmimas į (j-1)-ąjį išėjimą).
Išėjimų/ Įėjimų skaičius 10/8
Aprašymas:
KSVĮ pagrindą sudaro mikrokontroleris 8051. Žodis A sudarytas iš 10 skilčių, tam panaudoti du prievadai. Žodis A rodo, kurie abonentai sukūrė paraišką, t.y. atitinkamoje skiltyje: 1 – yra paraiška, 0 – nėra paraiškos. Ir atitinkamai žodis B rodo kurios išėjimo linijos yra laisvos: 0- išėjimas laisvas, 1- išėjimas užimtas.
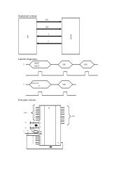
Struktūrinė schema:
Laikinės diagramos:
Principinė schema:
Programos algoritmas:
Programos greitaeigiškumo įvertinimas:
Pasirenkame įvertinti paprogramės Bj greitaeigiškumą:
1MC+1MC+1MC+1MC+(1MC+2MC)*(jMC+1MC)+2MC=(6+3*(j+1))MC
kadangi procesoriaus taktinis dažnis...

Daugiau informacijos...

Šį darbą sudaro 556 žodžiai, tikrai rasi tai, ko ieškai!

★ Klientai rekomenduoja


Šį rašto darbą rekomenduoja mūsų klientai. Ką tai reiškia?

Mūsų svetainėje pateikiama dešimtys tūkstančių skirtingų rašto darbų, kuriuos įkėlė daugybė moksleivių ir studentų su skirtingais gabumais. Būtent šis rašto darbas yra patikrintas specialistų ir rekomenduojamas kitų klientų, kurie po atsisiuntimo įvertino šį mokslo darbą teigiamai. Todėl galite būti tikri, kad šis pasirinkimas geriausias!

Detali informacija
Darbo tipas
Lygis
Universitetinis
Failo tipas
Word failas (.doc)
Apimtis
6 psl., (556 ž.)
Darbo duomenys
  • Elektronikos kursinis darbas
  • 6 psl., (556 ž.)
  • Word failas 152 KB
  • Lygis: Universitetinis
www.nemoku.lt Atsisiųsti šį kursinį darbą
Privalumai
Pakeitimo garantija Darbo pakeitimo garantija

Atsisiuntei rašto darbą ir neradai jame reikalingos informacijos? Pakeisime jį kitu nemokamai.

Sutaupyk 25% pirkdamas daugiau Gauk 25% nuolaidą

Pirkdamas daugiau nei vieną darbą, nuo sekančių darbų gausi 25% nuolaidą.

Greitas aptarnavimas Greitas aptarnavimas

Išsirink norimus rašto darbus ir gauk juos akimirksniu po sėkmingo apmokėjimo!

Atsiliepimai
www.nemoku.lt
Dainius Studentas
Naudojuosi nuo pirmo kurso ir visad randu tai, ko reikia. O ypač smagu, kad įdėjęs darbą gaunu bet kurį nemokamai. Geras puslapis.
www.nemoku.lt
Aurimas Studentas
Puiki svetainė, refleksija pilnai pateisino visus lūkesčius.
www.nemoku.lt
Greta Moksleivė
Pirkau rašto darbą, viskas gerai.
www.nemoku.lt
Skaistė Studentė
Užmačiau šią svetainę kursiokės kompiuteryje. :D Ką galiu pasakyti, iš kitur ir nebesisiunčiu, kai čia yra viskas ko reikia.
Palaukite! Šį darbą galite atsisiųsti visiškai NEMOKAMAI! Įkelkite bet kokį savo turimą mokslo darbą ir už kiekvieną įkeltą darbą būsite apdovanoti - gausite dovanų kodus, skirtus nemokamai parsisiųsti jums reikalingus rašto darbus.
Vilkti dokumentus čia:

.doc, .docx, .pdf, .ppt, .pptx, .odt