Kursiniai darbai

Mikrovaldiklio PIC16FR6X taikymas

9.8   (2 atsiliepimai)
Mikrovaldiklio PIC16FR6X taikymas 1 puslapis
Mikrovaldiklio PIC16FR6X taikymas 2 puslapis
Mikrovaldiklio PIC16FR6X taikymas 3 puslapis
Mikrovaldiklio PIC16FR6X taikymas 4 puslapis
Mikrovaldiklio PIC16FR6X taikymas 5 puslapis
Mikrovaldiklio PIC16FR6X taikymas 6 puslapis
Mikrovaldiklio PIC16FR6X taikymas 7 puslapis
Mikrovaldiklio PIC16FR6X taikymas 8 puslapis
Mikrovaldiklio PIC16FR6X taikymas 9 puslapis
Mikrovaldiklio PIC16FR6X taikymas 10 puslapis
Mikrovaldiklio PIC16FR6X taikymas 11 puslapis
Mikrovaldiklio PIC16FR6X taikymas 12 puslapis
Mikrovaldiklio PIC16FR6X taikymas 13 puslapis
Mikrovaldiklio PIC16FR6X taikymas 14 puslapis
Mikrovaldiklio PIC16FR6X taikymas 15 puslapis
Mikrovaldiklio PIC16FR6X taikymas 16 puslapis
www.nemoku.lt
www.nemoku.lt
Aukščiau pateiktos peržiūros nuotraukos yra sumažintos kokybės. Norėdami matyti visą darbą, spustelkite peržiūrėti darbą.
Ištrauka

P.BALČIŪNAITĖ
VILNIUS
2006
VILNIAUS KOLEGIJA
ELEKTRONIKOS IR INFORMATIKOS FAKULTETAS
Studijų programa: Telekomunikacijos
Dalykas: Mikroprocesorinė technika
KURSINIO DARBO UŽDUOTIS
Studentas: Aurimas Miškinis
Grupė: TK04B
Baigimo data: 2006.01.05
Tema: Mikrovaldiklio PIC 16FR6X taikymas
Tikslas: išnagrinėti mikrovaldiklio sandarą, veikimą ir užprogramuoti testo Nr.2 uždavinio sprendimui
Techniniai parametrai:
• Maitinimas iš 12V nuolatinės įtampos šaltinio.
• Indikacija – spinduoliai.
• Išorinė generatoriaus dažnio stabilizacija.
Darbo forma: tekstas surinktas kompiuteriu, grafinė dalis atlikta pagal standartų reikalavimus, darbas įrištas su tituliniu lapu, užduotimi ir turinio lapu.
Aiškinamojo rašto turinys
1. Įvadas. Mikrovaldiklių apžvalga, taikymo sritys.
2. Analitine dalis
2.1. PIC 16FR6X technines charakteristikos
2.2. Sutartinis grafinis ženklas, išvadų paskirtis
2.3. Sandaros schemos analizė.
2.4. Atminties organizacija.
2.5. Išsamus nurodyto sandaros komponento aprašymas: Programų sandara.
2.6. Literatūros sąrašas
3. Praktinė dalis
3.1. Programa, sudaryta pagal testo Nr.2 sąlygas, su komponentais ir H kodais
3.2. Programos H failas
4. Grafinė dalis
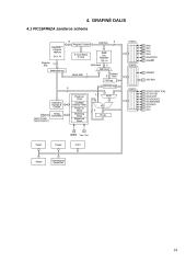
4.1. PIC 16FR84A Sandaros schema
4.2. PIC 16F8X taikymo elektros principinė schemą
1. Įvadas. Mikrovaldiklių apžvalga, taikymo sritys
Amerikos firma Mikrochip Technology Inc. jau daugiau nei du dešimtmečius iš eilės yra viena iš svarbiausių firmų, gaminančių 8-skilčių KMOP mikrovaldiklius. Firma gamina ne tik mikrovaldiklius, bet ir elektriškai perprogramuojamus atmintinės integrinius grandinus (EEPROM), kurių talpa nuo 1 iki 64 kB.
PIC16CXX – tai 8-skilčių RISC architektūros Mikrochip Technology Inc. firmos mikrovaldikliai. Pasižymintis tuo, kad yra pigūs, suvartoja mažai elektros energijos, didelis greitis. PIC16CXX valdikliai turi EEPROM programai, duomenų RAM ir yra gaminami 18 ir 28 kojelių korpuse.
PIC OTP – tai vieną kartą vartotojo užprogramuojami valdikliai, skirti prietaisams, kurių programa nebus keičiama. Šie valdikliai išleidžiami pigiuose plastikiniuose korpusuose su atitinkamo tipo išoriniu (kvarciniu arba RC) generatoriumi.
Prietaisams, kurių programa gali būti keičiama, arba turi kokias nors besikeičiančias dalis (lenteles, kalibravimo parametrus, kodus ir t.t.) yra gaminami elektriškai perprogramuojami mikrovaldikliai PIC16C84. kaip ir kiti PIC16CXX šeimos mikrovaldikliai, taip ir PIC16C84 pasižymi mažu elektros energijos suvartojimu, bei dideliu greičiu, yra uniersalūs ir populiarūs. Atitinkamai užprogramuotas valdiklis gali dirbti kaip skaitiklis ar bet koks kitas prietaisas, kuriame sukonstruoti reikėtų daug paprastų mikroschemų, tuo tarpu, kai PIC16C84 yra vienos...

Daugiau informacijos...

Šį darbą sudaro 2394 žodžiai, tikrai rasi tai, ko ieškai!

Turinys
  • 1. Įvadas. Mikrovaldiklių apžvalga, taikymo sritys 4
  • 2. Analitinė dalis 6
  • 2.1 PIC16FR6X techninės charakteristikos 6
  • 2.2 Sutartinis grafinis ženklas, išvadų paskirtis 7
  • 2.3 Sandaros schemos analizė 8
  • 2.4 Atminties organizavimas 8
  • 2.5 Išsamus nurodyto sandaros komponento aprašymas: Pertrauktys 10
  • 2.6 Literatūros sąrašas 11
  • 3. PRAKTINĖ DALIS 12
  • 3.1. Programa sudaryta pagal testo Nr. 2 sąlygas, su komponentais ir H kodais 12
  • 3.2 Programos H failas 13
  • 4. GRAFINĖ DALIS 14
  • 4.1 PIC16FR6X sandaros schema 14
  • 4.2 PIC16F84 taikymo elektros principinė schema 15
  • 4.3 Elementų sąrašas 15

★ Klientai rekomenduoja


Šį rašto darbą rekomenduoja mūsų klientai. Ką tai reiškia?

Mūsų svetainėje pateikiama dešimtys tūkstančių skirtingų rašto darbų, kuriuos įkėlė daugybė moksleivių ir studentų su skirtingais gabumais. Būtent šis rašto darbas yra patikrintas specialistų ir rekomenduojamas kitų klientų, kurie po atsisiuntimo įvertino šį mokslo darbą teigiamai. Todėl galite būti tikri, kad šis pasirinkimas geriausias!

Detali informacija
Darbo tipas
Lygis
Universitetinis
Failo tipas
Word failas (.doc)
Apimtis
16 psl., (2394 ž.)
Darbo duomenys
  • Elektronikos kursinis darbas
  • 16 psl., (2394 ž.)
  • Word failas 342 KB
  • Lygis: Universitetinis
www.nemoku.lt Atsisiųsti šį kursinį darbą
Privalumai
Pakeitimo garantija Darbo pakeitimo garantija

Atsisiuntei rašto darbą ir neradai jame reikalingos informacijos? Pakeisime jį kitu nemokamai.

Sutaupyk 25% pirkdamas daugiau Gauk 25% nuolaidą

Pirkdamas daugiau nei vieną darbą, nuo sekančių darbų gausi 25% nuolaidą.

Greitas aptarnavimas Greitas aptarnavimas

Išsirink norimus rašto darbus ir gauk juos akimirksniu po sėkmingo apmokėjimo!

Atsiliepimai
www.nemoku.lt
Dainius Studentas
Naudojuosi nuo pirmo kurso ir visad randu tai, ko reikia. O ypač smagu, kad įdėjęs darbą gaunu bet kurį nemokamai. Geras puslapis.
www.nemoku.lt
Aurimas Studentas
Puiki svetainė, refleksija pilnai pateisino visus lūkesčius.
www.nemoku.lt
Greta Moksleivė
Pirkau rašto darbą, viskas gerai.
www.nemoku.lt
Skaistė Studentė
Užmačiau šią svetainę kursiokės kompiuteryje. :D Ką galiu pasakyti, iš kitur ir nebesisiunčiu, kai čia yra viskas ko reikia.
Palaukite! Šį darbą galite atsisiųsti visiškai NEMOKAMAI! Įkelkite bet kokį savo turimą mokslo darbą ir už kiekvieną įkeltą darbą būsite apdovanoti - gausite dovanų kodus, skirtus nemokamai parsisiųsti jums reikalingus rašto darbus.
Vilkti dokumentus čia:

.doc, .docx, .pdf, .ppt, .pptx, .odt