Laboratoriniai darbai

Dažninė elektros pavara. Laboratorinio darbo ataskaita

10   (1 atsiliepimai)
Dažninė elektros pavara. Laboratorinio darbo ataskaita 1 puslapis
Dažninė elektros pavara. Laboratorinio darbo ataskaita 2 puslapis
Dažninė elektros pavara. Laboratorinio darbo ataskaita 3 puslapis
Dažninė elektros pavara. Laboratorinio darbo ataskaita 4 puslapis
Dažninė elektros pavara. Laboratorinio darbo ataskaita 5 puslapis
Dažninė elektros pavara. Laboratorinio darbo ataskaita 6 puslapis
Dažninė elektros pavara. Laboratorinio darbo ataskaita 7 puslapis
Dažninė elektros pavara. Laboratorinio darbo ataskaita 8 puslapis
Dažninė elektros pavara. Laboratorinio darbo ataskaita 9 puslapis
Dažninė elektros pavara. Laboratorinio darbo ataskaita 10 puslapis
www.nemoku.lt
www.nemoku.lt
Aukščiau pateiktos peržiūros nuotraukos yra sumažintos kokybės. Norėdami matyti visą darbą, spustelkite peržiūrėti darbą.
Ištrauka

Susipažinti su asinchroninės dažninės pavaros darbo principu, gauti mechanines asinchroninės pavaros charakteristikas prie įvairiu maitinimo tinklo dažnių.
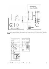
pav. 3 Variklio magnetinio lauko sukimosi greičio, tuščiosios veiklos greičio bei slydimo stendo sujungimo schema.
Sujungiamame schema pagal 2 pav., į skaitmeninį dažnio keitiklį įvedame būtinus parametrus. Nustatome BOOST = 0V ir įjungiame variklį. Keičiame skaitmeninio dažnio keitiklio išėjimo dažnį nuo 0,5 iki 90 Hz ir išmatuojame tarpfazinę įtampą UUV. Surašome gautus duomenys į lentelę 1 ir nubraižome grafika pavaizduota 5 pav.
lentelė 1 Variklio U/f charakteristikos duomenys
, Hz
0,5
10
20
30
40
50
60
90
V be BOOST
0
38
82
123
172
206
206
206
,V su BOOST
40
72
108
141
180
206
206
206
pav. 5 Variklio U/f charakteristikos grafikai
2. Variklio magnetinio lauko sukimosi greičio, tuščiosios veiklos greičio bei slydimo nustatymas.
Sujungiame 3 pav. parodyta schema ir įvedame būtinus parametrus į skaitmeninį dažnio keitiklį. Keisdami skaitmeninio dažnio keitiklio daro dažnį nuo 0 iki 10 Hz matuojame tacho generatoriaus UTG įtampa, 10 voltų atitinka 3000r/min. Nustatome tuščios veiklos greitį n ir apskaičiuojame magnetinio lauko sukimosi greitį n0 bei tuščios veiklos slydimą s. Gautas reikšmes surašome į 2 lentelę ir nubraižome iš jų duomenų 6-7 pav. grafikai.
lentelė 2 sukimosi greičio ,tuščios veiklos greičio ir slydimo duomenys
, Hz
V
r/min
r/min
0,5
0
0
15
1
5,2
0,47
141
156
0,0962
9,9
0,97
291
297
0,0202
20,1
2
600
603
0,004975
30,3
3
900
909
0,009901
39,7
3,94
1182
1191
0,007557
49,9
4,95
1485
1497
0,008016
60
5,95
1785
1800
0,008333
70,2
6,95
2085
2106
0,009972
79,6
7,86
2358
2388
0,012563
89,8
8,85
2655
2694
0,014477
100
9,81
2943
3000
0,019
pav. 6 s/f grafikas
pav. 7 n/f mėlynas grafikas n0/f oranžinis grafikas
3. Tuščios veiklos srovės priklausomybė nuo dažnio
Sujungiame schema pavaizduota 2 pav. Į dažnio keitiklį įvedame parametrus ir nustatome
BOOST = 0V , keičiant darbo dažnį nuo 0 iki 70 Hz išmatuojame srovę fazėje U. Bandymą pakartojame įvedus BOOST įtampa. Grafike nubraižome IBOOST=0=f(f1) ir IBOOST=max=f(f1) charakteristikas.
lentelė 3
, Hz
0,5
10
20
30
40
50
60
70
I,A be BOOST
0,1
0,1
0,2
0,2
0,2
0,2
0,2
0,2
I,A su BOOST
1,1
0,8
0,3
0,2
0,2
0,2
0,2
0,2
4. Variklio...

Daugiau informacijos...

Šį darbą sudaro 987 žodžiai, tikrai rasi tai, ko ieškai!

★ Klientai rekomenduoja


Šį rašto darbą rekomenduoja mūsų klientai. Ką tai reiškia?

Mūsų svetainėje pateikiama dešimtys tūkstančių skirtingų rašto darbų, kuriuos įkėlė daugybė moksleivių ir studentų su skirtingais gabumais. Būtent šis rašto darbas yra patikrintas specialistų ir rekomenduojamas kitų klientų, kurie po atsisiuntimo įvertino šį mokslo darbą teigiamai. Todėl galite būti tikri, kad šis pasirinkimas geriausias!

Detali informacija
Darbo tipas
Lygis
Universitetinis
Failo tipas
Word failas (.docx)
Apimtis
11 psl., (987 ž.)
Darbo duomenys
  • Inžinerijos laboratorinis darbas
  • 11 psl., (987 ž.)
  • Word failas 248 KB
  • Lygis: Universitetinis
www.nemoku.lt Atsisiųsti šį laboratorinį darbą
Privalumai
Pakeitimo garantija Darbo pakeitimo garantija

Atsisiuntei rašto darbą ir neradai jame reikalingos informacijos? Pakeisime jį kitu nemokamai.

Sutaupyk 25% pirkdamas daugiau Gauk 25% nuolaidą

Pirkdamas daugiau nei vieną darbą, nuo sekančių darbų gausi 25% nuolaidą.

Greitas aptarnavimas Greitas aptarnavimas

Išsirink norimus rašto darbus ir gauk juos akimirksniu po sėkmingo apmokėjimo!

Atsiliepimai
www.nemoku.lt
Dainius Studentas
Naudojuosi nuo pirmo kurso ir visad randu tai, ko reikia. O ypač smagu, kad įdėjęs darbą gaunu bet kurį nemokamai. Geras puslapis.
www.nemoku.lt
Aurimas Studentas
Puiki svetainė, refleksija pilnai pateisino visus lūkesčius.
www.nemoku.lt
Greta Moksleivė
Pirkau rašto darbą, viskas gerai.
www.nemoku.lt
Skaistė Studentė
Užmačiau šią svetainę kursiokės kompiuteryje. :D Ką galiu pasakyti, iš kitur ir nebesisiunčiu, kai čia yra viskas ko reikia.
Palaukite! Šį darbą galite atsisiųsti visiškai NEMOKAMAI! Įkelkite bet kokį savo turimą mokslo darbą ir už kiekvieną įkeltą darbą būsite apdovanoti - gausite dovanų kodus, skirtus nemokamai parsisiųsti jums reikalingus rašto darbus.
Vilkti dokumentus čia:

.doc, .docx, .pdf, .ppt, .pptx, .odt